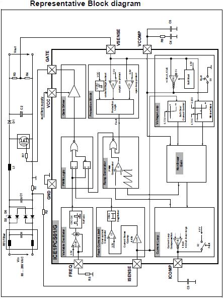
Product Summary
The ICE1PCS01G is a 8-pin wide input range controller IC for active power factor correction converters. It is designed for converters in boost topology, and requires few external components. Its power supply is recommended to be provided by an external auxiliary supply which will switch on and off the IC. The IC operates in the CCM with average current control, and in DCM only under light load condition. The switching frequency is programmable by the resistor at pin 4. Both compensations for the current and voltage loop are external to allow full user control. There are various protection features incorporated to ensure safe system operation conditions. Examples are peak current limitation, brown-out protection and output under voltage detection. The internal reference is trimmed (5V+2%) to ensure precise protection and control level. The device has an unique soft-start function which limits the start up current thus reducing the stress on the boost diode.
Parametrics
Absolute maximum ratings:(1)VCC Supply Voltage, VCC: -0.3 to 22 V; (2)FREQ Voltage, VFREQ: -0.3 to 7V; (3)ICOMP Voltage, VICOMP: -0.3 to 7V; (4)ISENSE Voltage, VISENSE: -24 to 7V; (5)ISENSE Current, IISENSE: -1 to 1mA; (6)VSENSE Voltage, VVSENSE: -0.3 to 7V ; (7)VSENSE Current, IVSENSE: -1 1mA; (8)VCOMP Voltage, VVCOMP: -0.3 to 7V ; (9)GATE Voltage, VGATE: -0.3 to 22V; (10)Junction Temperature, Tj: -40 to 150°C; (11)Storage Temperature, TS: -55 to 150°C; (12)Thermal Resistance Junction-Ambient for DSO-8-3, RthJA (DSO): -185 K/W; (13)Thermal Resistance Junction-Ambient for DIP-8-4, RthJA(DIP): - 90 K/W ; (14)ESD Protection, VESD: -2kV.
Features
Features: (1)Ease of Use with Few External Components; (2)Supports Wide Range; (3)Average Current Control; (4)External Current and Voltage Loop Compensation for Greater User Flexibility; (5)Programmable Operating/Switching Frequency (50kHz - 250kHz); (6)Max Duty Cycle of 95% (typ) at 125kHz; (7)Trimmed Internal Reference Voltage (5V+2%); (8)VCC Under-Voltage Lockout; (9)Cycle by Cycle Peak Current Limiting; (10)Over-Voltage Protection; (11)Open Loop Detection; (12)Output Under-Voltage Detection; (13)Brown-Out Protection; (14)Enhanced Dynamic Response; (15)Unique Soft-Start to Limit Start Up Current; (16)Fulfills Class D Requirements of IEC 1000-3-2.
Diagrams

| Image | Part No | Mfg | Description | ![]() |
Pricing (USD) |
Quantity | ||||||||||||
|---|---|---|---|---|---|---|---|---|---|---|---|---|---|---|---|---|---|---|
![]() |
![]() ICE1PCS01G |
![]() Infineon Technologies |
![]() Power Factor Correction ICs STANDALONE PFC CTRLR CCM BRN-OUT PROTECT |
![]() Data Sheet |
![]() Negotiable |
|
||||||||||||
![]() |
![]() ICE1PCS01GXT |
![]() Infineon Technologies |
![]() Power Factor Correction ICs STANDALONE PFC CCM 21V |
![]() Data Sheet |
![]()
|
|
||||||||||||
(China (Mainland))







